サウナの歴史
サウナの起源は2000年以上前のフィンランド、カレリア地方。
食料を貯蔵したりスモークするための部屋が、いつのまにか沐浴する場所へと変わっていきました。そして、白夜の夏と厳しい冬の風土の中で、人々の健康に欠かせないサウナへと進化したのです。
サウナが国際的に注目されたのは、1936年のベルリンオリンピックの時。フィンランドチームがサウナを持ち込んで以来、他国の参加選手がそれ ぞれの国に持ち帰り、ドイツをはじめ多くの国々でサウナが取り入れられるようになりました。日本では、1964年の東京オリンピックの選手村にサウナが設けられたのを契機に全国に広がりました。
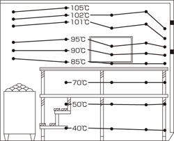
サウナ室の温度分布
通常のサウナ室内は板貼りのベンチが階段状に組まれており、床面とベンチ上部にはかなりの温度差が生じます。床から15cmの高さで約40℃。上へ行くほど高温になり天井近くでは105℃くらいになります。サウナ利用時の体調や時間に合わせてベンチを移動し、快適な汗を流してください。
このような理想的な温度分布状態にするには、サウナストーンに水をかけることにより可能です。石にかけられた水が気化するとき、吸気口から新鮮な空気が入り込み、空気の対流が良くなることにより理想的な温度分布状態となるのです。これは優れた吸排気システムが装備されたサウナだけに可能なことなのです。
サウナ浴~冷水浴~足温浴の「交替浴」が理想的
サウナの上手な入り方として「交替浴」をお勧めします。個人差はありますが、サウナに入ってから約10分前後で適度な汗が出てきます。サウナ浴で気持ちのいい汗を出した後は、冷たすぎないバスかシャワーで"冷水浴”をし、次にお湯を入れた足桶に5分ほど足を浸す"足温浴”と続けていきます。このようにサウナ浴~冷水浴~足温浴と繰り返していく方法を「交替浴」といいます。
冷水浴は、冷水浴の冷温とサウナ浴の高温との高低差の相互刺激が循環系に働きかけ、特に抹消循環機能、つまり血行を良くする働きがあります。足温浴は、心臓から一番遠い部分である足から身体全体を温め血流の活発化を助けます。
交替浴を3~4回繰り返すうちに発汗の量も多くなり、爽快で理想的なサウナ効果を得ることができます。
サウナを出た後はのどの渇きを感じますが、ジュースやミネラルウォーターで身体に水分を補給しましょう。低アルコールのビールも格別のおいしさです。
いい汗流して健康的に -サウナの医学的効果-
サウナに入るといい汗が出て爽快になる-。
これは発汗により水分が蒸発して気体に変わるとき、その気化熱が身体を冷却するからなのです。サウナの気持ちよさの基本です。
それではサウナ浴にはどんな医学的効果があるのでしょう。
まずは「疲労回復効果」。温熱による大量の発汗で、体内に蓄積した老廃物や疲労物質を対外に放出し疲れやストレスを取り去ります。また発汗を繰り返すことで皮膚や汗腺が洗われ、毛穴が開いて老廃物を取り除くなど、いわゆる「美容効果」も期待できます。
さらにサウナは毛細血管を拡張し新陳代謝を活発にすることから、冷え性などの循環障害やリウマチ性の関節炎にも効果があります。
このほかにも「食欲増進効果」「安眠効果」「老化防止効果」などが期待できます。
自分にあったサウナ浴で健康的にサウナをお楽しみください。
体温調節機能とサウナの関係
サウナの室温は約85℃から95℃、こんな高温に身体をさらして大丈夫なのでしょうか。この秘密は私たちの身体のメカニズムにあるようです。
わたしたちの身体は皮膚や筋肉からなる外部組織と、その奥にある内部組織とで作られています。そしてそれぞれが異なる体温を持っていて、外部組織は環境の変化に比較的柔軟に反応できるのですが、内部組織は常に37℃前後に保たれていなければならないのです。つまり外部組織は、大切な内部組織の温度を37℃前後に保つためのコントロール役を果たしているのです。
サウナ浴で身体が熱せられると、皮膚のすぐ下の血管には内部組織から温かい血流が流れ込みます。この血液は汗の発汗による気化熱で冷やされ、再び内部組織に戻り身体が冷却されるのです。ですから身体を温めることはあっても決して熱しすぎることはないのです。
これが私たちが生まれながら体内に持っている体温調節機能です。
サウナ浴はダイエット効果があるの?
レスリングや柔道など体重別を採用しているスポーツ選手が、減量のためにサウナを活用するケースがあります。このためダイエットにも効果があるように思われがちです。しかしサウナ浴での減量の仕組みは、汗を繰り返し出し、そのときに奪われる気化熱によるカロリーの消費なのです。つまりサウナは、体内の水分を汗として体外へ放出するだけで皮下脂肪を直接的に減らすものではありません。
また、大量の発汗にともなう水分やビタミンの放出をジュースやミネラルウォーターなどで補給しなければならないので、やせる目的やダイエット効果を狙ってのサウナ利用は一考を要します。ただし、快適なサウナ浴を日常的に続けることで体内の不要な水分を取り除き、1,000g以内の減量は十分に可能です。また、サウナ浴を続けることで身体が活性化され、動作の一つ一つが活発、敏速になり、太りにくい引き締まった身体を作る効果も期待できます。
湿度コントロールで快適サウナ
サウナに入るときはまず温かいシャワーかバスで全身をクリーンに。そして乾いたタオルで身体をしっかり拭きましょう。サウナ浴の際に皮膚がよく乾いていれば、体内の水分がほどよく身体の表面に出てきますが、もし身体が濡れていると発汗が悪くなります。
サウナの室内は80℃~95℃くらいが理想とされています。床と天井では温度差があるので、入り始めは温度の低いベンチでゆったりと寝転び、均等な温度を身体にうけるようにします。
サウナで大切なのは湿度のコントロールです。室内の空気が乾いた感じになったり、肌に刺激を感じたりしたら湿度が不足しているサインです。こんなときには、手桶の水をストーブの上で熱せられたサウナストーンにひしゃくで少量ずつかけます。湿度が7%~10%くらい上昇し、快適なサウナ効果を生み出します。
サウナはいつも清潔に
フィンランドでは、サウナを教会と同じ神聖な空間と考え日頃から清潔さを保つように心がけています。
サウナの汚れは、主に汗や湿気からくるカビの一種です。そのためサウナに入るときは、汗が直接木に染み込まないように、汗取りタオルをベンチに敷いたり身体に巻いたりしたいものです。
フィンランド式ストーブを使うと、空気がストーブを通過するときに空気中の嫌な匂いを分解してくれるため、いつも清潔な室内を保つことができます。またサウナに入った後はストーブの余熱を利用して、サウナ室内が完全に乾燥するようにしてください。
